
Весь ассортимент нашей продукции
Наша основная продукция, техническое обслуживание и замена труб: коксовое оборудование, трубчатые печи, замена труб первичного охладителя, спиральный пластинчатый теплообменник, конденсационный охладитель сырого бензола, система предварительного нагрева воды CDQ, оборудование для электростанций, замена труб конденсатора, нагреватель высокого/низкого напряжения, трубчатый охладитель, теплообменник и т. д.
Подробности о продукте ▶
Обзор продукта
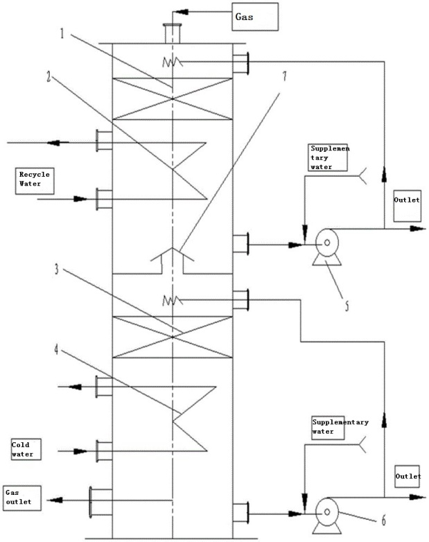
Горизонтальный трубчатый первичный газовый охладитель имеет вертикальный прямоугольный корпус с охлаждающими трубками, установленными под углом 30° к горизонтальной плоскости. Коксовый газ движется сверху вниз, а охлаждающая вода подается снизу в несколько этапов, обеспечивая равномерное и высокоэффективное охлаждение. Температура газа на выходе может быть снижена до 2°C выше температуры воды на входе.

Ключевые преимущества
Высокая эффективность теплопередачи – Трубы из стали Ø57×3 с плотной компоновкой усиливают турбулентность и улучшают охлаждение
Многоступенчатая подача воды – Гибкая комбинация охлажденной воды, циркуляционной воды и подогретой воды
Автоматическая очистка распылением – Распыление аммиачной воды или конденсата удаляет отложения смолы и нафталина
Компактность и долговечность – Малые габариты, стабильная работа и низкие затраты на обслуживание
Технологическая схема
Сырой газ из коксовой печи → Газожидкостный сепаратор → Верхняя ступень охлаждения циркуляционной водой (до ~45°C) → Нижняя ступень охлаждения охлажденной водой (до ~22°C) → Газовый нагнетательный вентилятор → Электрофильтр для смолы → Обессеривание и рекуперация серы. Конденсат, смола и аммиачная вода рециркулируются или продаются.
Применение
Утилизация коксового газа · Химическая промышленность · Энергосберегающие проекты

Оставьте сообщение для расчета стоимости ▶
Рекомендованные продукты ▶
ПРОФЕССИОНАЛЬНАЯ КОНСУЛЬТАЦИЯ
Если вас заинтересовала наша продукция и вы хотите узнать более подробную информацию, оставьте сообщение здесь, и мы ответим вам как можно скорее.